Brown-Sharpe SMT
Division of Lester Detterbeck Enterprises Ltd.
Copyright © 2016 Brown-Sharpe SMT.  A division of Lester Detterbeck Enterprises, Ltd.  All Rights Reserved.

Tool Posts for Square Tools

Compact - Easily Adjusted - Rigid Blade Support

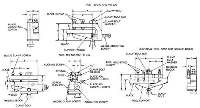
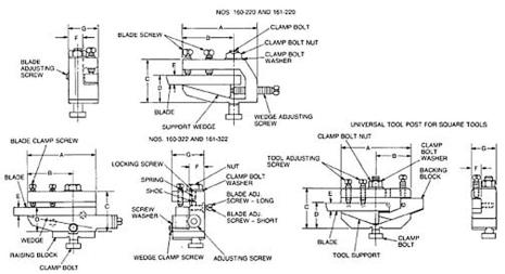
These tool posts have a rigid wedge support, are compact and easily adjusted. They are furnished

either for use on the front cross slide. A raising block is included with each tool so that it can be

used with the spindle running in either direction. They are furnished with one hardened blade.

The No. 162 Universal Tool Post for square Tools is supplied with a raising block and one

hardened blade.

 
Machines Where Used Tool Height Tool width Tool No. No. 160 Tool Posts - Front 0 & 0G Auto. 1/2" 5/8" 711-160-220 2 & 2G Auto. & 3 1/2" 3/4" 711-160-322 No. 161 tool Posts - Back 0 & 0G Auto. 1/2" 5/8" 711-161-220 2 & 2G Auto. & e 1/2" 3/4" 711-161-322 No. 161 Universal Tool Post 00 & 00G Auto. 3/8" 7/16" 722-162-100 Inches Tool No. A B C D E F G Tool Posts for Square Tools 711-160-322 4-1/8 2-3/4 2-11/32 1-7/16 1/2 7/8 1-15/16 711-161-322 4-1/8 2-3/4 2-11/32 1-7/16 1/2 7/8 1-15/16 Tool Posts for Square Tools 711-160-220 3-4 2 2-3/16 1-5/16 1/2 13/16 1-7/16 711-161-220 3-4 2 2-3/16 1-5/16 1/2 13/16 1-7/16 Universal Tool Post for Square Tools 711-162-100 3-1/4 1-5/8 1-1/2 1 3/8 7/16 1-1/8 Tool No. 711-160-220 711-160-322 711-162-100 711-161-220 711-161-322 Blade Screw 92-5191-1028 92-5191-1032 92-519101016 Blade Adj. Scr. - S 92-5391-1024 92-5391-1020 92-5391-810 Blade Adj. Scr. - L 92-5391-1024 92-5391-1032 92-5391-820 Clamp Bolt 211-13016 92-5020-1660 92-5020-1250 Clamp Bolt Washer 92-2040-1404-28 92-2040-1602-32 92-2040-1202-24 Clam Bolt Nut 211-13015 92-6015-1620 92-6015-1214 Wedge 211-16011 211-16009-1 211-16212 Wedge Adj. Scr. 92-5010-1048 211-16013-1 NONE Rising Block 211-16012 211-16010-1 211-16214 Body - Front 211-16002-1 211-16003-2 211-16211-1 Body - Back 211-16102-1 211-16103-2 NONE Blade 711-94089 711-94090 711-94084 Wedge Clamp Screw NONE 92-5385-812 NONE Wedge Cl. Scr. Washer NONE 92-2040-802-16 NONE Locking Screw NONE 92-5071-1010 NONE Lock Screw Spring NONE 92-1000-816-22 NONE Locking Screw Shoe NONE 92-5930-806 NONE Backing Block NONE NONE 211-16213
Brown-Sharpe SMT
Division of Lester Detterbeck Enterprises Ltd.
Website Design by North Country Website Design_
Copyright © 2016 Brown-Sharpe SMT. A division of Lester Detterbeck Enterprises, Ltd.

Tool Posts for Square Tools

Compact - Easily Adjusted - Rigid

Blade Support

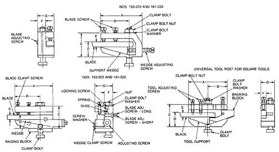
These tool posts have a rigid wedge support, are

compact and easily adjusted. They are furnished either for use on

the front cross slide. A raising block is included with each tool so

that it can be used with the spindle running in either direction.

They are furnished with one hardened blade.

The No. 162 Universal Tool Post for square

Tools is supplied with a raising block and

one hardened blade.

 
Machines Where Used Tool Height Tool width Tool No. No. 160 Tool Posts - Front 0 & 0G Auto. 1/2" 5/8" 711-160-220 2 & 2G Auto. & 3 1/2" 3/4" 711-160-322 No. 161 tool Posts - Back 0 & 0G Auto. 1/2" 5/8" 711-161-220 2 & 2G Auto. & e 1/2" 3/4" 711-161-322 No. 161 Universal Tool Post 00 & 00G Auto. 3/8" 7/16" 722-162-100 Inches Tool No. A B C D E F G Tool Posts for Square Tools 711-160-322 4-1/8 2-3/4 2-11/32 1-7/16 1/2 7/8 1-15/16 711-161-322 4-1/8 2-3/4 2-11/32 1-7/16 1/2 7/8 1-15/16 Tool Posts for Square Tools 711-160-220 3-4 2 2-3/16 1-5/16 1/2 13/16 1-7/16 711-161-220 3-4 2 2-3/16 1-5/16 1/2 13/16 1-7/16 Universal Tool Post for Square Tools 711-162-100 3-1/4 1-5/8 1-1/2 1 3/8 7/16 1-1/8 Tool No. 711-160-220 711-160-322 711-162-100 711-161-220 711-161-322 Blade Screw 92-5191-1028 92-5191-1032 92-519101016 Blade Adj. Scr. - S 92-5391-1024 92-5391-1020 92-5391-810 Blade Adj. Scr. - L 92-5391-1024 92-5391-1032 92-5391-820 Clamp Bolt 211-13016 92-5020-1660 92-5020-1250 Clamp Bolt Washer 92-2040-1404-28 92-2040-1602-32 92-2040-1202-24 Clam Bolt Nut 211-13015 92-6015-1620 92-6015-1214 Wedge 211-16011 211-16009-1 211-16212 Wedge Adj. Scr. 92-5010-1048 211-16013-1 NONE Rising Block 211-16012 211-16010-1 211-16214 Body - Front 211-16002-1 211-16003-2 211-16211-1 Body - Back 211-16102-1 211-16103-2 NONE Blade 711-94089 711-94090 711-94084 Wedge Clamp Screw NONE 92-5385-812 NONE Wedge Cl. Scr. Washer NONE 92-2040-802-16 NONE Locking Screw NONE 92-5071-1010 NONE Lock Screw Spring NONE 92-1000-816-22 NONE Locking Screw Shoe NONE 92-5930-806 NONE Backing Block NONE NONE 211-16213