Brown-Sharpe SMT
Division of Lester Detterbeck Enterprises Ltd.
Copyright © 2016 Brown-Sharpe SMT.  A division of Lester Detterbeck Enterprises, Ltd.  All Rights Reserved.

No. 373 Burnishing Tools

For Super-fine Finishes

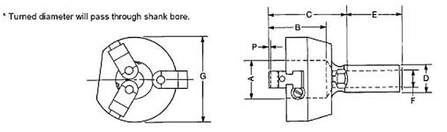
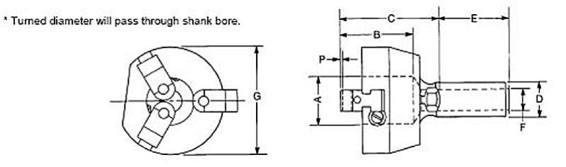
Burnishing Tools are used on turned surfaces to produce finishes smoother than those which can be

turned. This is accomplished by the three adjustable rolls which are mounted in the holder. The

design of the burnishing tools makes the positioning of the rolls on the work simple and fast.

 
Shank Length Capacity Tool No. Dia. Diameter 5/8" * 1/16" to 5/16" 711-373-100 1" 5/16" to 1/2" 3/4" * 1/8" to 3/8" 711-373-120 1-1/2" 3/8" to 3/4" 1" * 3/16" to 9/16" 711-373-122 2" 9/16" to 1-1/4" * Turned diameter will pass through shank bore. Tool No. A B C D E F G P 711-373-100 5/8 1-3/32 1-7/16 5/8 1-1/8 3/8 2 1/16 711-373-120 13/16 1-5/8 2-5/16 3/4 1-5/8 7/16 2-1/4 1/16 711-373-122 1-3/8 2-1/8 2-13/16 1 2-1/16 5/8 3-1/8 3/32 Tool No. 711-373-100 711-373-120 711-373-122 Roll Holder Comp. 211-37302 211-37309 211-37305 Roll 711-55-100 711-55-122 711-55-122 Roll Stud 211-5126 211-5127 211-5125 Screw 92-5390-612 92-5390-620 92-5390-620 Adjusting Screw 211-2703-1 211-37308-1 211-2706-2 Clamp Screw 211-37303 92-5010-1032 92-5041-1236 Body 211-37301 211-37306 211-37304 Rolls for Burnishing Tools Tool No. O.D. Width Hole Where Used 711-55-100* 5/16 5/32 1/8 711-373-100 711-55-121* 1/2 1/4 3/16 711-373-120 711-55-122* 5/8 1/4 1/4 711-373-122 *Package of 6 rolls.
Brown-Sharpe SMT
Division of Lester Detterbeck Enterprises Ltd.
Website Design by North Country Website Design_
Copyright © 2016 Brown-Sharpe SMT. A division of Lester Detterbeck Enterprises, Ltd.

No. 373 Burnishing Tools

For Super-fine Finishes

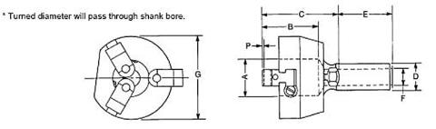
Burnishing Tools are used on turned surfaces

to produce finishes smoother than those which

can be turned. This is accomplished by the three adjustable rolls

which are mounted in the holder. The design of the burnishing

tools makes the positioning of the rolls on the work simple and

fast.

 
Shank Length Capacity Tool No. Dia. Diameter 5/8" * 1/16" to 5/16" 711-373-100 1" 5/16" to 1/2" 3/4" * 1/8" to 3/8" 711-373-120 1-1/2" 3/8" to 3/4" 1" * 3/16" to 9/16" 711-373-122 2" 9/16" to 1-1/4" * Turned diameter will pass through shank bore. Tool No. A B C D E F G P 711-373-100 5/8 1-3/32 1-7/16 5/8 1-1/8 3/8 2 1/16 711-373-120 13/16 1-5/8 2-5/16 3/4 1-5/8 7/16 2-1/4 1/16 711-373-122 1-3/8 2-1/8 2-13/16 1 2-1/16 5/8 3-1/8 3/32 Tool No. 711-373-100 711-373-120 711-373-122 Roll Holder Comp. 211-37302 211-37309 211-37305 Roll 711-55-100 711-55-122 711-55-122 Roll Stud 211-5126 211-5127 211-5125 Screw 92-5390-612 92-5390-620 92-5390-620 Adjusting Screw 211-2703-1 211-37308-1 211-2706-2 Clamp Screw 211-37303 92-5010-1032 92-5041-1236 Body 211-37301 211-37306 211-37304 Rolls for Burnishing Tools Tool No. O.D. Width Hole Where Used 711-55-100* 5/16 5/32 1/8 711-373-100 711-55-121* 1/2 1/4 3/16 711-373-120 711-55-122* 5/8 1/4 1/4 711-373-122 *Package of 6 rolls.